Втулка зажимная BK 71 (RCK 71) 25x50 (KLDB025), EMT
Арт. BK071025050EMT
Характеристики
Тип
—
BK 71
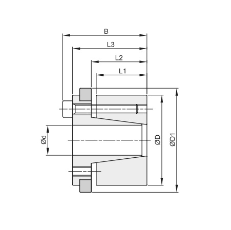
D1, мм
—
56
B, мм
—
45
Тип болта, мм
—
M6x20
Давление на поверхность ступицы, N/мм2
—
73
1 305 руб./шт
Нашли дешевле?
Гарантия производителя
Цена действительна при наличии товара на складе.
Втулка зажимная BK 71 25 x 50 (KLDB025), EMT применяется для монтажа звезд, шкивов, барабанов и других изделий на цилиндрический, бесшпоночный вал.
Тип
BK 71
D1, мм
56
B, мм
45
Тип болта, мм
M6x20
Давление на поверхность ступицы, N/мм2
73
Крутящий момент, Nm
400
Давление на поверхность вала, N/мм2
145
Количество болтов, шт
6
Длина втулки L3, мм
39
Момент затяжки, Nm
17
Длина втулки L1, мм
26
Нагрузка, KN
32
Длина втулки L2, мм
31
Размер, d x D, мм
25 x 50
Производитель
EMT
Материал
Сталь C45
Вес, кг
0,50

