Втулка зажимная BK 26 (RCK 26) 55x65 (KLFC055), EMT
Арт. BK026055065EMT
Характеристики
Тип
—
BK 26
D1, мм
—
80
B, мм
—
27
Тип болта, мм
—
M60x2
Давление на поверхность ступицы, N/мм2
—
109
1 709 руб./шт
Нашли дешевле?
Гарантия производителя
Цена действительна при наличии товара на складе.
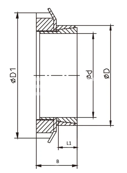
Втулка зажимная BK 26 55 x 65 (KLFC055), EMT применяется для монтажа звезд, шкивов, барабанов и других изделий на цилиндрический, бесшпоночный вал.
Тип
BK 26
D1, мм
80
B, мм
27
Тип болта, мм
M60x2
Давление на поверхность ступицы, N/мм2
109
Крутящий момент, Nm
796
Давление на поверхность вала, N/мм2
129
Момент затяжки, Nm
1100
Длина втулки L1, мм
12
Нагрузка, KN
29
Размер, d x D, мм
55 x 65
Производитель
EMT
Материал
Сталь C45
Вес, кг
0,72

