Втулка зажимная BK 26 (RCK 26) 14x25 (KLFC014), EMT
Арт. BK026014025EMT
Характеристики
Тип
—
BK 26
D1, мм
—
32
B, мм
—
17
Тип болта, мм
—
M20x1
Давление на поверхность ступицы, N/мм2
—
135
742 руб./шт
Нашли дешевле?
Гарантия производителя
Цена действительна при наличии товара на складе.
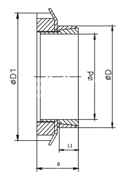
Втулка зажимная BK 26 14 x 25 (KLFC014), EMT применяется для монтажа звезд, шкивов, барабанов и других изделий на цилиндрический, бесшпоночный вал.
Тип
BK 26
D1, мм
32
B, мм
17
Тип болта, мм
M20x1
Давление на поверхность ступицы, N/мм2
135
Крутящий момент, Nm
52
Давление на поверхность вала, N/мм2
241
Момент затяжки, Nm
95
Длина втулки L1, мм
6,5
Нагрузка, KN
7
Размер, d x D, мм
14 x 25
Производитель
EMT
Материал
Сталь C45
Вес, кг
0,10

