Втулка зажимная BK 16 (RCK 16) 80x120 (KLAB080), EMT
Арт. BK016080120EMT
Характеристики
Тип
—
BK 16
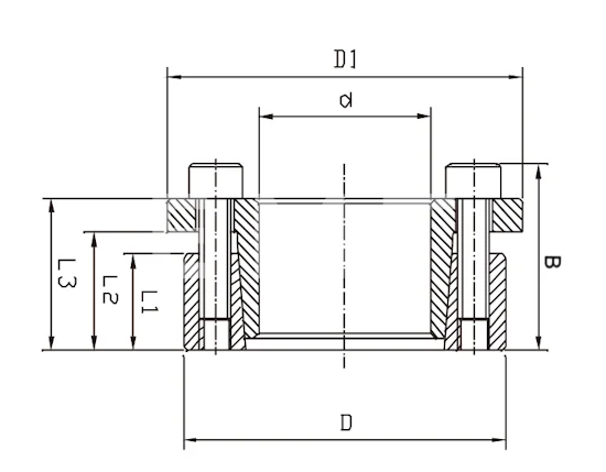
D1, мм
—
129
B, мм
—
50
Тип болта, мм
—
M10x30
Давление на поверхность ступицы, N/мм2
—
123
4 132 руб./шт
Нашли дешевле?
Гарантия производителя
Цена действительна при наличии товара на складе.
Втулка зажимная BK 16 80 x 120 (KLAB080), EMT применяется для монтажа звезд, шкивов, барабанов и других изделий на цилиндрический, бесшпоночный вал.
Тип
BK 16
D1, мм
129
B, мм
50
Тип болта, мм
M10x30
Давление на поверхность ступицы, N/мм2
123
Крутящий момент, Nm
4804
Давление на поверхность вала, N/мм2
184
Количество болтов, шт
8
Длина втулки L3, мм
40
Момент затяжки, Nm
83
Длина втулки L1, мм
24
Нагрузка, KN
120
Длина втулки L2, мм
30
Размер, d x D, мм
80 x 120
Производитель
EMT
Материал
Сталь C45
Вес, кг
2,00

