Втулка зажимная BK 16 (RCK 16) 65x95 (KLAB065), EMT
Арт. BK016065095EMT
Характеристики
Тип
—
BK 16
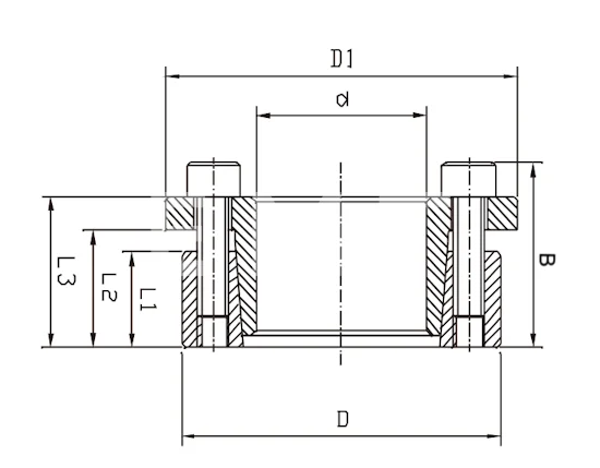
D1, мм
—
104
B, мм
—
41
Тип болта, мм
—
M8x25
Давление на поверхность ступицы, N/мм2
—
126
2 443 руб./шт
Нашли дешевле?
Гарантия производителя
Цена действительна при наличии товара на складе.
Втулка зажимная BK 16 65 x 95 (KLAB065), EMT применяется для монтажа звезд, шкивов, барабанов и других изделий на цилиндрический, бесшпоночный вал.
Тип
BK 16
D1, мм
104
B, мм
41
Тип болта, мм
M8x25
Давление на поверхность ступицы, N/мм2
126
Крутящий момент, Nm
2710
Давление на поверхность вала, N/мм2
189
Количество болтов, шт
9
Длина втулки L3, мм
33
Момент затяжки, Nm
41
Длина втулки L1, мм
20
Нагрузка, KN
83
Длина втулки L2, мм
25
Размер, d x D, мм
65 x 95
Производитель
EMT
Материал
Сталь C45
Вес, кг
1,00

