Втулка зажимная BK 16 (RCK 16) 55x85 (KLAB055), EMT
Арт. BK016055085EMT
Характеристики
Тип
—
BK 16
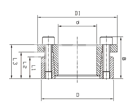
D1, мм
—
94
B, мм
—
41
Тип болта, мм
—
M8x25
Давление на поверхность ступицы, N/мм2
—
129
2 000 руб./шт
Нашли дешевле?
Гарантия производителя
Цена действительна при наличии товара на складе.
Втулка зажимная BK 16 55 x 85 (KLAB055), EMT применяется для монтажа звезд, шкивов, барабанов и других изделий на цилиндрический, бесшпоночный вал.
Тип
BK 16
D1, мм
94
B, мм
41
Тип болта, мм
M8x25
Давление на поверхность ступицы, N/мм2
129
Крутящий момент, Nm
2037
Давление на поверхность вала, N/мм2
199
Количество болтов, шт
8
Длина втулки L3, мм
33
Момент затяжки, Nm
41
Длина втулки L1, мм
20
Нагрузка, KN
74
Длина втулки L2, мм
25
Размер, d x D, мм
55 x 85
Производитель
EMT
Материал
Сталь C45
Вес, кг
0,90

