Рычаг-натяжитель SE 45 (RE 60), EMT
Арт. SE45EMT
Характеристики
Тип
—
SE 45
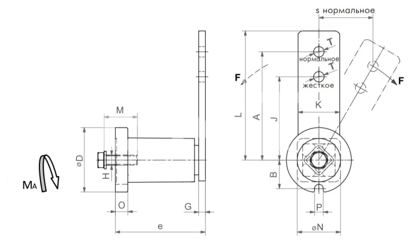
A, мм
—
225
D, мм
—
115
L, мм
—
260
G, мм
—
12
29 455 руб./шт
Нашли дешевле?
Гарантия производителя
Цена действительна при наличии товара на складе.
Рычаг-натяжитель тип SE 45 (RE 60), бренда EMT, предназначено для регулировки и поддержания оптимального натяжения ленты транспортера. Это позволяет предотвратить проскальзывание, провисание и преждевременный износ ленты, обеспечивая бесперебойную работу конвейера. Натяжное устройство типа SE отличается высокой прочностью и надежностью благодаря использованию высококачественных материалов и эластомерной вставки, выполненной из высокоэластичного
натурального каучука, обладающего отличной памятью
формы. Оно обеспечивает плавную регулировку натяжения, что позволяет точно настроить работу конвейера под конкретные задачи. Конструкция устройства проста и удобна в обслуживании, что минимизирует время простоя оборудования. Рабочая температура данных устройств
находится в температурном диапазоне от -40 до 80 °C
натурального каучука, обладающего отличной памятью
формы. Оно обеспечивает плавную регулировку натяжения, что позволяет точно настроить работу конвейера под конкретные задачи. Конструкция устройства проста и удобна в обслуживании, что минимизирует время простоя оборудования. Рабочая температура данных устройств
находится в температурном диапазоне от -40 до 80 °C
Тип
SE 45
A, мм
225
D, мм
115
L, мм
260
G, мм
12
e, мм
200
K, мм
70
P, мм
12,5
B, мм
52,0
H, мм
M20
O, мм
18
T, мм
20,5
M, мм
50
J, мм
180
N, мм
80
Производитель
EMT
Материал
Сталь
Вес, кг
6,4

