Полумуфта GS28 безлюфтовая, с готовым отверстием d=28 мм, шпон паз 8х3,3мм, EMT
Арт. GESM28/38F28C
Характеристики
Крутящий момент максимальный , TK max, Nm
—
400
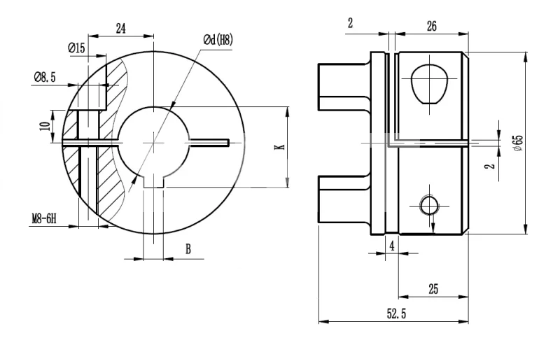
A, мм
—
65
Посадка на вал
—
Со шпонкой
Тип муфты
—
GS 28
Ширина полумуфты, C, мм
—
35
3 492 руб./шт
Гарантия производителя
Цена действительна при наличии товара на складе.
Крутящий момент максимальный , TK max, Nm
400
A, мм
65
Посадка на вал
Со шпонкой
Тип муфты
GS 28
Ширина полумуфты, C, мм
35
E min, мм
72,6
G, мм
30
S, мм
2,5
P,мм
5,2
Тип болта, мм
M8
T, мм
14
M, мм
20
Момент затяжки, Nm
25
Скорость вращения, max
8500
Диаметр отверстия,D1,мм
28
Длина муфты в сборе, L, мм
90
Крутящий момент, TK, Nm
200
Производитель
EMT
Материал
Алюминий
Вес, кг
0,24

