Полумуфта под расточку HRC 70, EMT
Арт. GEBHRC70EMT
Характеристики
A, мм
—
23,5
Посадка на вал
—
Под расточку
Тип муфты
—
HRC 70
Диаметр ступицы, М, мм
—
60
Максимальный диаметр отверстия, dmax ,мм
—
32
734 руб./шт
Гарантия производителя
Цена действительна при наличии товара на складе.
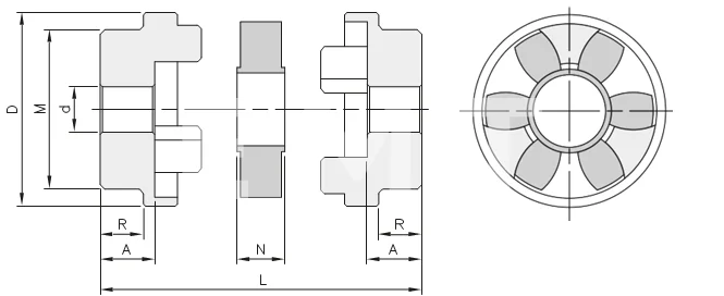
Полумуфта под расточку HRC 70, с максимальным диаметром отверстия 32 мм, и шириной ступицы 60 мм, изготовлена из чугуна и предназначена для передачи крутящего момента между двумя соостно расположнными валами. Соединительная муфта имеет длину в сборе 65 мм,и ширину упругого элемента 18 мм.
A, мм
23,5
Посадка на вал
Под расточку
Тип муфты
HRC 70
Диаметр ступицы, М, мм
60
Максимальный диаметр отверстия, dmax ,мм
32
Диаметр чернового отверстия d, мм
10
Диаметр полумуфты, D, мм
69
Ширина ступицы, R ,мм
20
Длина муфты в сборе, L, мм
65
Производитель
EMT
Материал
Чугун
Вес, кг
0,6

