Полумуфта GE 75-90 B с готовым отверстием d90 шпон паз 25х5,4мм+винт М12 СТАЛЬ, EMT
Арт. GE075B90EMT
Характеристики
Посадка на вал
—
Со шпонкой
Тип муфты
—
GE 75-90
Ширина полумуфты, C, мм
—
85
Ширина шпоночного паза, B, мм
—
25±0,026
Максимальный диаметр отверстия, dmax, мм
—
90
19 855 руб./шт
Нашли дешевле?
Гарантия производителя
Цена действительна при наличии товара на складе.
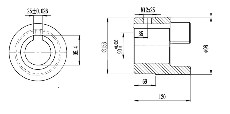
Полумуфта GE 75-90 тип В, с готовым отверстием d=90 мм и шпон пазом 25х5,4мм+винт М12, бренда EMT – это высококачественный механический компонент, предназначенные для передачи вращательного момента между валами в различных машинах и установках. Полумуфта изготовлена из прочной легированной стали, которая обеспечивает высокую износостойкость и устойчивость к коррозии. Готовое отверстие выполнено со строгими допусками, что помогает обеспечить надежное соединение с валами различных диаметров. Шпон Паз оснащен стандартными шпонками, что улучшает зацепление и предотвращает соскальзывание, особенно в условиях высокой нагрузки.
Посадка на вал
Со шпонкой
Тип муфты
GE 75-90
Ширина полумуфты, C, мм
85
Ширина шпоночного паза, B, мм
25±0,026
Максимальный диаметр отверстия, dmax, мм
90
D, мм
160
L, мм
210
G, мм
35
F, мм
80
e, мм
40
R, мм
69,0
K, мм
95,4
S, мм
5,0
P, мм
М12х25
Диаметр отверстия, d, мм
90
Диаметр ступицы, М1, мм
158
Производитель
EMT
Материал
Сталь
Вес, кг
8,4

