Коническая пара прямозубая (B) C27B301, передат. число=1:1, M=1,5, Z=30/30, EMT
Арт. C27B301
Характеристики
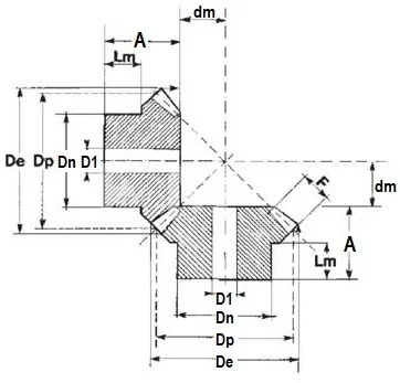
Модуль, М
—
1,5
A, мм
—
27,2
D1, мм
—
12
F, мм
—
10
Lm, мм
—
12
2 241 руб./шт
Нашли дешевле?
Гарантия производителя
Цена действительна при наличии товара на складе.
Коническая пара прямозубая, тип В, i=1:1, М=1,5, Z=30/30, под брендом "ЕМТ", является механизмом, состоящий из скрепленных колес с зубьями. Предназначены для передачи крутящего момента под углом 90 град. Имеют угол наклона зубьев 20 градусов и необходимы, когда пересекаются приводные валы и требуется передать вращательное движение.
Модуль, М
1,5
A, мм
27,2
D1, мм
12
F, мм
10
Lm, мм
12
Dn, мм
30
Количество зубьев, шт
30
De, мм
47,1
Передаточное отношение
1:1
dm, мм
14,8
Dp, мм
45
Производитель
EMT
Материал
Сталь C45
Вес, кг
0,17

